Hộp điện trở chuẩn – Quy trình hiệu chuẩn
Standard resistance box – Calibration procedure
Danh mục bài viết
1 Phạm vi áp dụng
Văn bản kỹ thuật này quy định quy trình hiệu chuẩn các hộp điện trở chuẩn có giá trị từ 10–3 Ω đến 1014 Ω, sai số cho phép từ ± 0,01 % đến ± 5 % dùng để kiểm định phương tiện đo điện trở kíp mìn, phương tiện đo điện trở tiếp đất hoặc phương tiện đo điện trở cách điện.
Quy trình này không áp dụng cho hộp điện trở kiểu điện tử.
2 Giải thích từ ngữ
Các từ ngữ trong văn bản này được hiểu như sau:
2.1 Hộp điện trở chuẩn: Hộp điện trở đạt các yêu cầu kỹ thuật được sử dụng làm chuẩn đo lường trong các phép hiệu chuẩn và kiểm định phương tiện đo điện trở.
Có các loại hộp điện trở như sau:
2.1.1 Hộp điện trở (resistance box): Vật đọ điện trở đa trị được cấu thành từ một số các cuộn điện trở đơn trị chính xác rời rạc hoặc các cuộn điện trở chính xác sắp xếp theo một trật tự để có thể tổ hợp nên các giá trị điện trở trong một dải nhất định.
2.1.2 Hộp điện trở đơn trị: Hộp điện trở chuẩn được cấu thành từ một số điện trở đơn trị chính xác có các cực nối (terminal) riêng rẽ cho từng cuộn điện trở trên cùng một hộp.
2.1.3 Hộp điện trở thập phân/đề các (resistance decade box): Hộp điện trở được cấu thành từ một hay nhiều đề các mắc nối tiếp với nhau tổ hợp nên một dải điện trở thập phân nhất định.
2.1.4 Hộp điện trở kiểu điện tử (electronic resistors): Thiết bị tạo điện trở mà có các giá trị điện trở được thiết lập bằng mạch điện tử.
2.2 IUT (Instrument Under Test): Hộp điện trở cần được hiệu chuẩn.
2.3 Sai số cho phép: là giới hạn sai số của IUT được xác định từ cấp/độ chính xác công bố trong đặc trưng kỹ thuật do nhà sản xuất cung cấp.
3 Các phép hiệu chuẩn
Phải lần lượt tiến hành các phép hiệu chuẩn ghi trong Bảng 1.
|
Bảng 1 |
||
|
TT |
Tên phép hiệu chuẩn |
Theo điều mục của quy trình |
| 1 | Kiểm tra bên ngoài | 7.1 |
| 2 | Kiểm tra kỹ thuật | 7.2 |
| 2.1 | Kiểm tra nguồn điện cung cấp | 7.2.1 |
| 2.2 | Kiểm tra điện trở cách điện | 7.2.2 |
| 3 | Kiểm tra đo lường | 7.3 |
| 3.1 | Các phương pháp xác định giá trị của điện trở | 7.3.1 |
| 3.2 | Xác định giá trị thực tế và sai số cơ bản của IUT | 7.3.2 |
4 Phương tiện hiệu chuẩn
Các phương tiện đo dùng trong hiệu chuẩn công tơ chuẩn được nêu trong Bảng 2.
|
Bảng 2 |
|||
| TT | Tên phương tiện dùng để hiệu chuẩn | Đặc trưng kỹ thuật đo lường
cơ bản
|
Áp dụng cho điều mục của quy trình |
| 1 | Chuẩn đo lường | ||
| 1.1 | Các điện trở chuẩn | – Sai số cho phép của chuẩn nhỏ
hơn IUT ít nhất 4 lần. – Giá trị: 1 mΩ ÷ 105 Ω. Giới hạn sai số cho phép lớn nhất: ± 0,05 % – Giá trị: (105 ÷109) Ω. Giới hạn sai số cho phép lớn nhất: ± 0,1 %. |
7.3.1; 7.3.2;
7.3.3 |
| 1.2 | Cầu kép Kelvin và Ôm mét sử dụng sơ đồ đo bốn cực. | – Dải đo: 1 mΩ ÷ 1 MΩ
+ Sai số cho phép của chuẩn nhỏ hơn IUT ít nhất 4 lần. + Giới hạn sai số cho phép lớn nhất: ± 0,05 % |
7.3.1; 7.3.2;
7.3.3 |
| 1.3 | Máy đo điện trở cao | – Dải đo: (105 ÷ 1014 ) Ω
+ Sai số cho phép của chuẩn nhỏ hơn IUT ít nhất 4 lần. + Giới hạn sai số cho phép lớn nhất: ± 0,1 % |
7.3.1; 7.3.2;
7.3.3 |
| 2 | Phương tiện đo | ||
| Phương tiện đo điện trở cách điện | Phù hợp với yêu cầu nêu tại Mục 7.2.2 trong quy trình này. | 7.2.2 | |
5 Điều kiện hiệu chuẩn
Khi tiến hành hiệu chuẩn phải đảm bảo các điều kiện môi trường sau đây:
- Nhiệt độ: (23 ± 3) oC;
- Độ ẩm: ≤ 70 %RH;
- Nguồn điện áp cung cấp cho IUT: 220 V/pha ± 5 % (hoặc theo tài liệu kỹ thuật của IUT);
- Tần số nguồn điện cung cấp: 50 Hz ± 0,25 % (hoặc theo tài liệu kỹ thuật của IUT);
- Dạng sóng của nguồn điện cung cấp: điện áp và dòng điện phải có dạng sóng hình sin, hệ số méo phi tuyến không được vượt quá 1 %.
6 Chuẩn bị hiệu chuẩn
Trước khi tiến hành hiệu chuẩn phải thực hiện các công việc chuẩn bị sau đây:
- Làm sạch bên ngoài và các cực đo của IUT;
- IUT và các phương tiện hiệu chuẩn phải được đặt trong điều kiện hiệu chuẩn ít nhất 1 giờ.
- Các phương tiện đo có nguồn nuôi, cần được bật sấy máy trước khi đo 1 giờ.
- Chuẩn bị tất cả các tài liệu cần thiết.
7 Tiến hành hiệu chuẩn
7.1 Kiểm tra bên ngoài
Phải kiểm tra bên ngoài theo các yêu cầu sau đây:
7.1.1 Trên IUT phải ghi rõ:
– Tên gọi hoặc ký hiệu của nhà sản xuất;
– Ký hiệu đơn vị đo;
– Ký hiệu các cực đo;
– Số sản xuất;
– Cấp/độ chính xác (nếu có).
7.1.2 Kiểm tra bằng cách quan sát đảm bảo không có sự hư hỏng do cơ học, do phóng điện và ăn mòn; IUT phải còn nguyên vẹn; các cực nối chắc chắn, không nứt vỡ; các chuyển mạch (chốt cắm, núm xoay) phải nguyên vẹn và hoạt động tốt. Khi nghiêng IUT không có tiếng kêu của vật lạ hoặc của những phần bên trong bị bật rời ra.
7.2 Kiểm tra kỹ thuật
Kiểm tra kỹ thuật IUT theo các yêu cầu sau đây:
7.2.1 Kiểm tra nguồn điện cung cấp
7.2.1.1 Kiểm tra nguồn điện cung cấp cho các thiết bị dùng trong hiệu chuẩn
Phải đảm bảo nguồn cung cấp cho các thiết bị dùng trong hiệu chuẩn đúng như yêu cầu được quy định trong tài liệu kỹ thuật, các cầu chì, mạch bảo vệ của nguồn cung cấp phải còn hoạt động tốt.
7.2.1.2 Kiểm tra hoạt động của các đề các của IUT
Đối với hộp điện trở thập phân: Dùng tay xoay từng đề các (núm xoay thập phân) từ giá trị nhỏ nhất đến giá trị lớn nhất của đề các và ngược lại ít nhất ba lần, các đề các phải hoạt động bình thường.
Có thể kiểm tra thêm hoạt động của các đề các IUT bằng cách: mắc các cực đo của IUT với ôm mét có dải đo phù hợp với giá trị của IUT. Thay đổi giá trị của IUT từ nhỏ nhất đến lớn nhất, quan sát chỉ thị của ôm mét tương ứng với các giá trị đặt trên IUT phải không có sự thay đổi đột biến.
7.2.2 Kiểm tra điện trở cách điện
Điện trở cách điện của IUT được xác định bằng dụng cụ đo điện trở cách điện.
Dải đo của đồng hồ đo điện trở cách điện phải lớn hơn ít nhất mười (10) lần giá trị điện trở lớn nhất của IUT.
Điện áp đặt vào IUT để thực hiện phép kiểm tra cách điện phải tương ứng với giá trị điện áp làm việc lớn nhất của IUT và không nhỏ hơn 250 VDC.
Phép đo được thực hiện giữa các cực nối (terminal) đã được nối chung với nhau (ngắn mạch các cực nối) và vỏ hộp hoặc phần kim loại trên vỏ hộp điện trở.
7.3 Kiểm tra đo lường
Hộp điện trở chuẩn được kiểm tra đo lường theo trình tự, nội dung, phương pháp và yêu cầu sau đây:
7.3.1 Yêu cầu chung
– Đối với hộp điện trở đơn trị tiến hành xác định tất cả các giá trị điện trở của hộp điện trở nếu không có yêu cầu gì đặc biệt từ nhà sản xuất hoặc người sử dụng.
– Đối với hộp điện trở thập phân tiến hành xác định giá trị điện trở ứng với từng vị trí trong từng đề các và thực hiện với tất cả các đề các của hộp điện trở nếu không có yêu cầu gì đặc biệt từ nhà sản xuất hoặc người sử dụng. Khi tiến hành xác định giá trị điện trở của một đề các, các đề các còn lại được đặt ở vị trí nhỏ nhất của các đề các đó.
– Hộp điện trở có cực đất (Ground): tiến hành nối đất với cực đất của IUT.
– Đối với hộp điện trở có cực màn chắn (Guard): tiến hành nối cực màn chắn của chuẩn và IUT với nhau hoặc nối theo sơ đồ được nhà sản xuất quy định.
– Đối với hộp điện trở giá trị lớn: mức điện áp đặt vào IUT và từng điện trở trong IUT không được vượt quá giới hạn cho phép được nhà sản xuất quy định.
– Đối với hộp điện trở giá trị nhỏ: cường độ dòng điện qua IUT và từng điện trở trong IUT không được vượt quá giới hạn cho phép.
Lưu ý: Nếu các giá trị giới hạn (điện áp, dòng điện) nêu trên không được cung cấp thì dòng điện không được vượt quá giới hạn tương ứng với công suất 0,1 W trên bất kỳ cuộn điện trở nào của IUT.
7.3.2 Các phương pháp xác định giá trị của điện trở
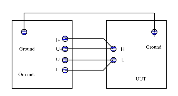
7.3.2.1 Phương pháp đo trực tiếp bằng Ôm mét hoặc máy đo điện trở cao.

Hình 1a. Sơ đồ phương pháp hiệu chuẩn trực tiếp bằng Ôm mét
(áp dụng cho hộp điện trở 4 cực)

Hình 1b. Sơ đồ phương pháp hiệu chuẩn trực tiếp bằng Ôm mét
(áp dụng cho hộp điện trở 2 cực)

Hình 1c. Sơ đồ phương pháp hiệu chuẩn trực tiếp bằng máy đo điện trở cao
Phương pháp đo trực tiếp bằng Ôm mét hoặc máy đo điện trở cao được thực hiện như sau:
- Nối IUT và ôm mét hoặc máy đo điện trở cao như hình 1a, 1b, 1c.
- Đặt giá trị điện trở cần đo trên hộp điện trở chuẩn rồi đọc giá trị được chỉ ra trên ôm mét hoặc máy đo điện trở Giá trị được chỉ ra trên ôm mét hoặc máy đo điện trở cao được gọi là Rht.
Giá trị điện trở cần đo được xác định theo công thức:
![]()
Trong đó:
Rx: Giá trị của điện trở cần đo;
Rht: Giá trị điện trở được chỉ ra trên ôm mét hoặc máy đo điện trở cao.
7.3.2.2 Phương pháp cầu kép.
Phương pháp này thường áp dụng cho các UUT có 4 cực đo và khi xác định điện trở R0 của UUT.
Phương pháp cầu kép được thực hiện như sau:
- Nối hộp điện trở chuẩn cần hiệu chuẩn như hình 2.
- Đặt giá trị điện trở cần đo trên hộp điện trở chuẩn.
- Đặt tỷ lệ k = R /R phù hợp với giá trị điện trở cần đo.
- Điều chỉnh giá trị Rs sao cho điện kế D chỉ “0”.
Khi đó giá trị điện trở cần đo được xác định theo công thức:


Hình 2: Sơ đồ phương pháp hiệu chuẩn bằng cầu kép
Trong đó:
RX: Giá trị điện trở cần đo;
R , R : Giá trị điện trở của nhánh tỷ lệ của cầu kép;
k: Tỷ lệ của cầu kép;
RS: Giá trị của điện trở chuẩn.
7.3.2.3 Phương pháp thế.
Sử dụng các phương pháp đo nêu trên.
– Đặt điện trở cần đo vào mạch đo.
– Tiến hành xác định giá trị điện trở, ta gọi giá trị vừa xác định được là R1.
– Thay điện trở cần đo bằng điện trở chuẩn có cùng giá trị danh định.
– Tiến hành xác định giá trị điện trở, ta gọi giá trị vừa xác định được là R2.
Giá trị điện trở cần đo được xác định theo công thức:

Trong đó:
RX: Giá trị điện trở cần đo.
RS: Giá trị điện trở chuẩn.
7.3.3 Xác định giá trị thực tế và sai số cơ bản của IUT
7.3.3.1 Xác định điện trở ban đầu R0 và sự thay đổi của nó ΔR0
(chỉ áp dụng đối với hộp điện trở có giá trị từng nấc của đề các thấp nhất nhỏ hơn hoặc bằng 1000 Ω).
a) Tiến hành xác định điện trở ban đầu R0
- Đưa tất cả các đề các về vị trí 0 hoặc vị trí nhỏ nhất có thể ; xoay núm vặn (hoặc thay đổi vị trí chốt cắm) ít nhất ba lần từ vị trí nhỏ nhất đến vị trí lớn nhất.
- Đo điện trở R0 bằng cầu kép.
- Phép đo được thực hiện ở độ nhạy đủ để nhận biết được sự thay đổi điện trở R0 bằng hoặc nhỏ hơn 10 sự thay đổi cho phép ΔR0 của hộp điện trở.
- Điện trở ban đầu R0 được xác định bằng giá trị trung bình của 4 lần đo

b) Xác định sự thay đổi của điện trở ban đầu ΔR0
- Sự thay đổi điện trở ban đầu ΔR0 được xác định bằng cách đo lặp lại giá trị điện trở này khi đưa tất cả các đề các đến vị trí cực đại rồi quay lại vị trí 0 ban đầu.
- Giá trị thay đổi ΔR0 được xác định là hiệu giá trị lớn nhất và giá trị nhỏ nhất trong 4 lần đo ở Mục 7.3.1.1.
![]()
7.3.3.2 Xác định giá trị thực tế của IUT
Giá trị thực tế của IUT được xác định bằng một trong các phương pháp được trình bày trong Mục 7.3.2.
- Nối mạch đo như sơ đồ đã cho tùy vào phương pháp được lựa chọn.
- Tiến hành xác định giá trị thực tế của IUT.
- Mỗi điện trở cần đo được xác định giá trị ít nhất ba (3) lần.
- Giá trị thực tế của IUT là giá trị trung bình của tất cả lần đo.
- Đối với hộp điện trở có xác định giá trị điện trở ban đầu R0 thì giá trị điện trở thực tế là giá trị trung bình của tất cả các lần đo trừ đi điện trở ban đầu R0 đã được xác định.
– Khi sử dụng phương pháp cầu kép, để loại trừ ảnh hưởng do sức điện động nhiệt, phải thực hiện ở cả hai chiều dòng điện nguồn cung cấp (đảo chiều điện áp/dòng điện nguồn cung cấp). Khi đó, giá trị tại mỗi điểm đo được tính bằng giá trị trung bình của hai phép đo đã thực hiện tại điểm đó.
7.3.3.3 Xác định sai số cơ bản của IUT
Các giá trị đo thực tế tại các điểm hiệu chuẩn của IUT được ghi vào bảng giá trị đo và sai số cơ bản trong biên bản hiệu chuẩn nêu ở Phụ lục của quy trình này.
Sai số cơ bản của IUT được xác định theo một trong hai hình thức:
- Sai số tuyệt đối:

Trong đó
ΔR: Giá trị sai số cơ bản của IUT (Ω);
Rtt: Giá trị thực tế của IUT;
Rdd: Giá trị danh định của IUT.
- Sai số tương đối:

Trong đó:
δ: Giá trị sai số cơ bản của IUT tính bằng phần trăm (%);
Rtt: Giá trị thực tế của IUT;
Rdd: Giá trị danh định của IUT.
- Sai số cơ bản của IUT không được vượt quá sai số cho phép của IUT tại tất cả các điểm hiệu chuẩn.
8 Ước lượng độ không đảm bảo đo
8.1 Mô hình toán học
Mô hình toán học của phép hiệu chuẩn:
![]()
Trong đó:
∆: Sai số của IUT;
Rtt: Giá trị thực tế của IUT được xác định theo Mục 7.3.3.2;
Rdđ: Giá trị danh định của IUT;
∆d: Sai số do các đại lượng ảnh hưởng tới phép đo.
8.2 Các thành phần độ không đảm bảo đo
8.2.1 Độ không đảm bảo đo (ĐKĐBĐ) do phép đo lặp, uA:
uA được tính toán theo phương pháp thống kê dựa trên các kết quả quan trắc.
Giá trị trung bình của n giá trị đo:

Độ lệch chuẩn s(xi):

Độ không đảm bảo đo loại A chính bằng độ lệch chuẩn thực nghiệm của giá trị trung bình

Khi hiệu chuẩn IUT, mỗi điểm xác định sai số cơ bản của IUT tối thiểu lấy kết quả đo 3 lần (n = 3).
8.2.2 Độ không đảm bảo đo của chuẩn, uB1 :
– Thành phần gây ra bởi chuẩn được lấy từ độ không đảm bảo đo công bố trong giấy chứng nhận hiệu chuẩn của chuẩn chia cho hệ số phủ k = 2, xác suất phân bố chuẩn.
– Thành phần gây ra bởi hệ số nhiệt của chuẩn được lấy từ hệ số nhiệt công bố trong tài liệu kỹ thuật của điện trở chuẩn chia cho căn bậc hai của 3, xác suất phân bố hình chữ nhật.
(Áp dụng cho phương pháp cầu kép và phương pháp thế).
– Thành phần gây ra do độ trôi của chuẩn được lấy từ độ trôi của điện trở chuẩn chia cho căn bậc hai của 3, xác suất phân bố hình chữ nhật.
(Áp dụng cho phương pháp cầu kép và phương pháp thế).
– Thành phần gây ra do độ ổn định của chuẩn được lấy từ độ ổn định hoặc độ chính xác ngắn hạn được công bố trong tài liệu kỹ thuật của chuẩn chia cho căn bậc hai của 3, xác suất phân bố hình chữ nhật.
Chú thích: Độ không đảm bảo đo do độ ổn định, độ trôi và hệ số nhiệt của điện trở chuẩn chỉ được tính thêm khi sử dụng điện trở chuẩn ngoài thay thế cho điện trở chuẩn bên trong cầu kép khi sử dụng cầu kép có độ chính xác nhỏ hơn hai lần độ chính xác của IUT.
8.2.3 Độ không đảm bảo đo do hệ thống đo, uB2 :
– Thành phần phát sinh từ độ phân giải của phương tiện đo dùng làm chuẩn lấy từ một nửa độ phân giải chia cho căn bậc hai của 3, xác suất phân bố hình chữ nhật.
(Áp dụng cho phương pháp đo trực tiếp bằng Ôm mét hoặc máy đo điện trở cao).
– Thành phần phát sinh từ độ ổn định của phương tiện đo dùng làm chuẩn công bố trong tài liệu kỹ thuật chia cho căn bậc hai của 3, xác suất phân bố hình chữ nhật.
(Áp dụng cho phương pháp thế).
8.2.4 Độ không đảm bảo đo do IUT, uB3 :
– Thành phần phát sinh do nhiệt được lấy từ hệ số nhiệt công bố trong tài liệu kỹ thuật của điện trở cần đo chia cho căn bậc hai của 3, xác suất phân bố hình chữ nhật.
– Thành phần phát sinh do R0 được lấy từ biến đổi điện trở ban đầu chia cho hai lần căn bậc hai của 3, xác suất phân bố hình chữ nhật.
ĐKĐBĐ chuẩn tổng hợp, uC:

ĐKĐBĐ mở rộng, U:
![]()
Với k = 2 ứng với mức độ tin cậy 95 %.
Bảng tổng hợp các nguồn gây nên độ không đảm bảo đo
| TT | Nguồn gốc gây nên độ không đảm bảo đo | ĐKĐBĐ loại | Phân bố |
| 1 | ĐKĐBĐ do phép đo lặp, uA | A | Chuẩn |
| 2 | ĐKĐBĐ của chuẩn, uB1 | B | Chuẩn/Chữ nhật |
| 3 | ĐKĐBĐ do hệ thống đo, uB2 | B | Chữ nhật |
| 4 | ĐKĐBĐ do IUT, uB3 | B | Chữ nhật |
| ĐKĐBĐ tổng hợp, uC | Chuẩn | ||
| ĐKĐBĐ mở rộng, U | Chuẩn |
9 Xử lý chung
9.1 Hộp điện trở chuẩn sau khi hiệu chuẩn nếu đảm bảo các yêu cầu nêu trong Mục 7 và 8 thì được cấp chứng chỉ hiệu chuẩn (tem hiệu chuẩn, giấy chứng nhận hiệu chuẩn,…) theo quy định.
9.2 Hộp điện trở chuẩn sau khi hiệu chuẩn nếu không đảm bảo yêu cầu nêu trong Mục 7 và 8 thì không cấp chứng chỉ hiệu chuẩn mới và xóa dấu hiệu chuẩn cũ (nếu có).
9.3 Chu kỳ hiệu chuẩn của hộp điện trở chuẩn là 12 tháng.
Tải quy trình hiệu chuẩn Hộp điện trở tại đây.
Nguồn: Tổng cục tiêu chuẩn đo lường chất lượng
